Vzduchomembránové čerpadlo RUBY 1" AISI316/PTFE pharma
Popis

Vzduchomembránové sanitárne čerpadlo značky RUBY v nerezovom (AISI316 leštená Ra 0,8 µm) vyhotovení s membránami z materiálu PTFE (Teflon) je vhodné do potravinárskeho, farmaceutického a kozmetického priemyslu s teplotou média do max. 95°C. Maximálny výkon: 165 l/min. Max. viskozita média: 50 Pa·s (50.000 cps) pri 20 °C
Nie je možné ho použiť na horľaviny a vo výbušnom prostredí (ATEX zóna).
Je možné navrhnúť aj model s ATEX certifikátom II 2G Ex h IIB T4 Gb.
Určené na čistenie CIP (Cleaning-in-Place) a SIP (Sterilization-in-Place) - jednoduché vyprázdnenie a vyčistenie čerpadla.
Čerpadlo je možné použiť na tieto typy médií:
■ potravinársky priemysel: horčica, kečup, majonéza, paradajky, mlieko, smotana, syry, farbivá, ovocné šťavy, slad, pivo
■ kozmetický priemysel: mydlo, zubná pasta, šampón, krémy

Max. hustota média (negatívna sacia výška): 1,4 kg/l (1400 kg/m3) pri 20 °C
Max. viskozita média (negatívna sacia výška): 5 Pa·s (5.000 cps) pri 20 °C

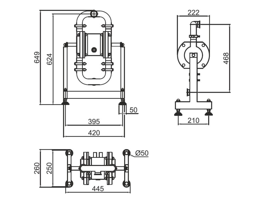
Technické údaje:
■ Pripojenie sanie/výtlak: DN40 TRI-CLAMP
■ Prívod vzduchu: 1/2" BSP vnútorný
■ Max. prietok: 165 l/min. (platí pre vodu pri 20 °C)
■ Max. tlak vzduchu: 8 bar
■ Max. výtlačná výška: 80 m
■ Sacia výška: 4 m (suché čerpadlo)
■ Max. veľkosť častíc: 3,5 mm
Materiálové vyhotovenie:
■ Zmáčané diely: AISI316 leštená Ra 0,8 µm (spĺňa požiadavky FDA)
■ Membrány: PTFE (spĺňa požiadavky FDA)
■ Guličky: AISI316 leštená (spĺňa požiadavky FDA)
■ Sedlá: AISI316 leštená (spĺňa požiadavky FDA)
■ O-krúžky: PTFE (spĺňa požiadavky FDA)

| Hmotnosť | 25 kg |
Buďte prvý, kto napíše príspevok k tejto položke.
Len registrovaní používatelia môžu pridávať príspevky. Prosím prihláste sa alebo sa zaregistrujte.
